Dreiphasen Stufenschalter mit 24 Schaltstufen


Datenblatt als PDF
 

ceclass_H61558_onk


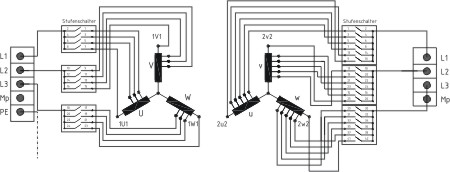
Dreiphasen StufenschalterSchaltbild 24 Schaltstufen

Dreiphasen StufenschalterStufenschalter


Anwendung


Der Stufentransformator wird in einem Motorprüfstand eingesetzt.


Technische Daten


Bautyp: EI 600/600/150
Spannung primär: 400 - 449 V
Spannung sekundär: 300 - 689 V
Dauerleistung: 100 kVA
Betriebsfrequenz: 50 Hz
Bauweise: offen - eingebaut in ein Gehäuse IP 23
Gewicht: 580 kg


© 2019 Tauscher Transformatoren GmbH

Impressum  / Datenschutzerklärung